简体中文  |   English
江西中轩电器有限公司
  • 网站首页
  • 关于我们
    • 全部
    • 证书展示
  • 产品展示
    • 全部
    • 信号继电器
    • 功率继电器
    • 汽车继电器
  • 新闻动态
    • 全部
    • 行业动态
    • 常见问题
  • 阿里旺铺
  • 联系我们
  • 简体中文
  • English

功率继电器

  • 当前位置:
  • 网站首页
  • >>
  • 产品展示
  • >>
  • 功率继电器
  • 信号继电器
  • 功率继电器
  • 汽车继电器
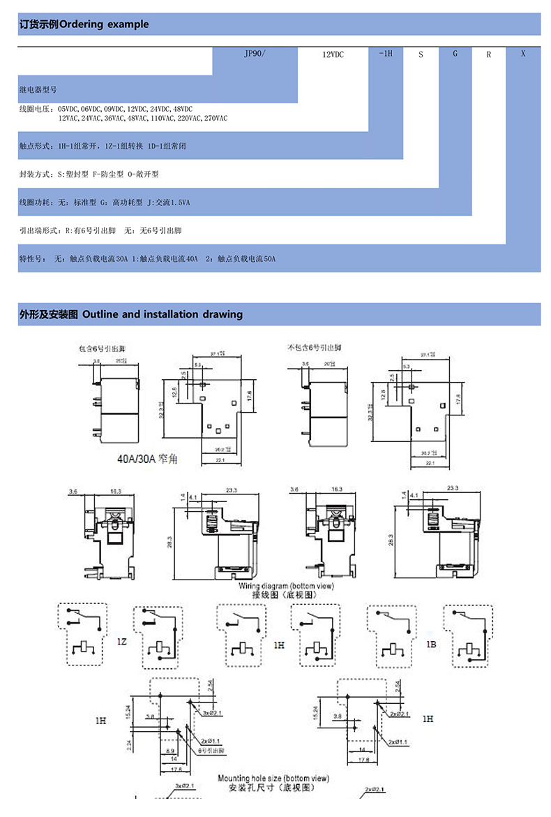
JP90
JP90
JP90
JP90
JP90
JP90
JP90
JP90
JP90
JP90

JP90

2026-04-20 0

  • 详细内容



















上一篇:JP90-50A

下一篇:JP115F

推荐新闻
  • 01-12

    中山继电器厂家: 继电器电路与PLC的区别是什么

    咱们传统的继电器也能够实现许多逻辑电路,咱们常用的PLC练习的简略问题都能够用传统继电器电路实现,咱们的梯形图编程也是一个逻辑电路的规划过程,有简略的谱系中止电路。咱们用继电器衔接中止电路便是这样的。S1是中止按钮,衔接的NC,S2是发动按钮衔接常开触点,KM2是接触器的上进口点。咱们按下开端按钮时

  • 01-10

    电磁继电器厂家:电磁继电器是怎样工作的

    它主要由铁芯线圈,电枢(动铁芯),绷簧,动触头,静触头和一些端子组成。静触头包括常闭触头和常开触头。在正常情况下,动触头闭合到常闭触头。继电器基座组合只需在线的两头施加相对的电压,相对的电流就会流过线圈,然后产生电磁效应。电枢将在电磁力吸力弓的效果下吸收绷簧抵靠绷簧芯的回复力,然后驱动运动。触点

推荐产品
  • JP78

    JP78

  • JP49F

    JP49F

江西中轩电器有限公司

地址:中国 江西 九江市 钓鱼台工业区培罗成大道  

电话:0792-5865788  手机:13560634486  联系人:韩先生

Copyright © 2022 江西中轩电器有限公司 版权所有

热门搜索:中山继电器厂家  功率继电器批发定制  电磁继电器厂家  xml网站地图

赣ICP备2022002006号

一键拨号

一键导航

关于我们

产品展示

返回顶部